Home
»
World American
»
Air Springs
»
World American WA01-9974C Rolling Lobe Air Spring – SAF Holland Neway Replacement
World American WA01-9974C Rolling Lobe Air Spring – SAF Holland Neway Replacement
Regular price
$199.99
The World American WA01-9974C is a premium aftermarket rolling lobe air spring designed for SAF Holland and Neway trailer suspensions. This air spring delivers reliable load support and smooth ride quality for heavy-duty trailer applications, engineered to meet OEM specifications for proper fit and performance.
Signs You Need a New Air Spring
- Visible cracks, dry rot, or deterioration in the rubber bellows
- Trailer sitting lower than normal or uneven ride height
- Air leaks or hissing sounds from the suspension
- Excessive bouncing, harsh ride, or reduced stability under load
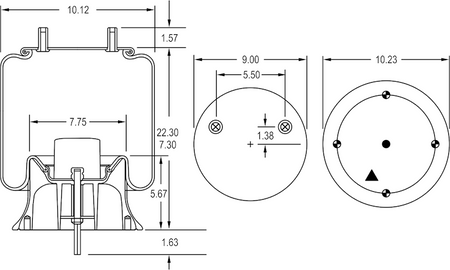
Specifications
| Manufacturer | World American |
|---|---|
| Part Number | WA01-9974C |
| Part Type | Air Spring – Rolling Lobe |
| Extended Height | 22.30" |
| Compressed Height | 7.30" |
| Design Height | 13.5" - 15.5" |
| Top Plate Diameter | 9.00" |
| Piston Diameter | 10.23" |
| Maximum Diameter | 12.70" |
| Firestone Bellows Number | 1T15M-7.5 |
| Top Plate Number | 3306 |
| Piston Number | 9652 |
Cross References
This part replaces or is equivalent to the following part numbers:
- Firestone: W01-358-9974, 9974
- SAF Holland / Neway: 90557332, 90557369
- Goodyear: 1R12-1048
- ContiTech: 9 10-17.5 A 930, 67586
- Triangle: AS-8930
- Automann: AB1DK23P-9974
- HD Value: HDV9974
- Meritor: MAF9974
Applications
This rolling lobe air spring fits the following suspensions:
- SAF Holland CB2300 trailer air suspensions
- SAF Holland CBX23/CBX25 top mount trailer suspensions
- SAF Holland CB400/CB4000 slider suspensions
- Neway trailer air-ride suspensions
Air springs must be matched by dimensions and mounting configuration. Verify extended/compressed height, top plate diameter, piston diameter, and hole pattern before ordering to confirm fitment.
Handling Time
At All Pro Truck Parts we do our best to ship all orders same day for orders placed before 12:00pm Central Standard Time. Same day shipment is never guaranteed. For standard UPS or USPS shipping, you will typically receive your package in 1 - 5 business days. Shipping times are never guaranteed and All Pro Truck Parts is not responsible for lost or delayed shipments by the carrier. Carrier times vary by distance from shipment origin and may change without prior notice. Shipping price is calculated from package dimensions and weight. Calculated rates for orders will be available at checkout. Orders placed after 12:00pm CST on Fridays will not be fulfilled until the following business day, Monday morning barring a holiday.
Next Day Air Shipments
The cutoff time for UPS Next Day Air is 12:00PM. If you have missed the cutoff time but would still like to place an order for Next Day delivery, please send us a text message or email. We can try to accommodate and ship your order from another warehouse.
Incorrect Shipping prices
All Pro Truck Parts reserve the right to cancel any order, in the event shipping rates are calculated incorrectly at checkout. We will notify you at your provided contact information to give you the option to pay the correct amount, or allow you to cancel the order for a full refund.
Free Shipping
Select products qualify for free shipping. Qualifying product groups can change without notice. Free shipping will be shipped via UPS Ground, USPS First Class or USPS Priority Mail.
Domestic Shipping Services
- USPS Domestic Shipping Services
- USPS Priority Mail
- USPS First Class Package
- USPS Ground Advantage
- USPS Priority Mail Express
- UPS Shipping Services
- UPS Ground
- UPS 2nd Day Air A.M. (commercial addresses only)
- UPS 2nd Day Air
- UPS 3 Day Select
- UPS Next Day Air Saver
- UPS Next Day Air
- UPS Next Day Air Early
- UPS Standard
International Shipping Services
- USPS International Shipping
- USPS First Class Package International
- USPS Priority Mail Express International
- USPS Priority Mail International
- UPS International Shipping
- UPS Worldwide Expedited
- UPS Worldwide Express Plus
- UPS Worldwide Express
- UPS Worldwide Saver
Returns
All Pro Truck Parts offers lifetime returns for any reason on NEW, UNOPENED items in the original packaging with exceptions. (See sale items and special order items).
To be eligible for a return, your item must be unused and in the same condition that you received it. It must also be in the original packaging.
Used items (if applicable)
Items marked as USED at the time of sale will be accepted for return up to 30 days from the date of sale.
Defective items (if applicable)
Defective items under manufacturer warranty will be eligible for return, as well as a full refund for the total amount paid by the customer. The following criteria must be met to be eligible. (a). The part is under manufacturer warranty (b). the manufacturer has determined the part defective for the purchased application.
Refunds (if applicable)
Once your item is returned and received and inspected, we will send you an email to notify you that we have received your returned item. We will also notify you of the approval or rejection of your refund.
If approved, then your refund will be processed, and a credit will automatically be applied to your credit card or original method of payment, within 7 business days. For order placed by phone through a card terminal, you must call in to initiate the refund.
Late or missing refunds (if applicable)
If you haven’t received a refund yet, first check your bank account again.
Then contact your credit card company, it may take some time before your refund is officially posted.
Next contact your bank. There is often some processing time before a refund is posted.
If you’ve done all of this and you still have not received your refund yet, please contact us at sales@allprotruckparts.com.
Sale items (if applicable)
Only regular priced items may be refunded, unfortunately sale items cannot be refunded.
Special Order Items (if applicable)
Special order items may be eligible for a refund. The decision to accept a special order item for refund is left solely to the All Pro Truck Parts management team.
Exchanges (if applicable)
We only replace items if they are defective or damaged. If you need to exchange it for the same item, send us an email at sales@allprotruckparts.com and send your item to: All Pro Truck Parts, 3948 Interstate 30 W, Caddo Mills TX 75135, United States.
Shipping
To return your product, you should mail your product to: All Pro Truck Parts, 3948 Interstate 30 W, Caddo Mills TX 75135, United States
You will be responsible for paying for your own shipping costs for returning your item. Shipping costs are non-refundable.
Depending on where you live, the time it may take for your exchanged product to reach you, may vary.
If you are shipping an item over $75, it is advised that you use a trackable shipping service or purchasing shipping insurance. We don’t guarantee that we will receive your returned item.
For returned items designated as "Free Shipping", any items shipped to the customer in which the customer did not pay shipping. All Pro Truck Parts will recover the cost of shipping to the customer's address from the refundable amount owed to the customer on the return and inspection of the item.
